在线咨询咨询热线:400-0755-965
咨询客服,我们快速为您报价,或者提供技术支持!
| 尺寸选择型 | 尺寸自由指定型 | 相当材质 | 颜色 |
| ZSKW | ZSKFW | 聚缩醛 | 白色 |
| ZSKB | ZSKFB | 黑色 | |
| ZSKY | ZSKFY | 尼龙(标准型) | 米黄 |
| ZSKN | ZSKFN | 蓝色 | |
| ZSKE | ZSKFE | PEEK | 灰色 |
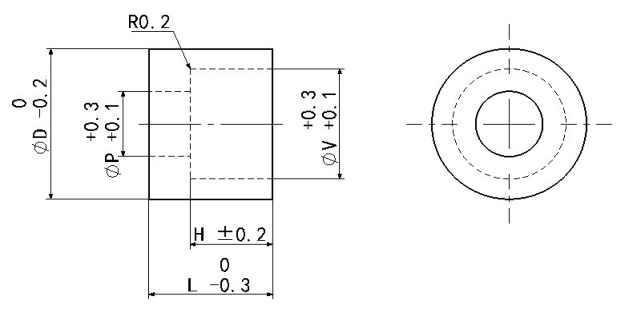
| 型号 | D |
V (指定单位0.5mm) |
P (指定单位0.5mm) |
H (指定单位0.5mm) |
L (指定单位0.5mm) |
|
ZSKFW ZSKFB ZSKFY ZSKFN ZSKFE |
10.0~20 指定单位0.5mm |
5.0~55.0 V≤D-2 |
3.0~53.0 P≤V-2 |
1.0~48.0 L-H≤Px8 |
3.0~50.0 |
|
21~60 指定单位1mm |

扫一扫,关注我们