欢迎光临晋升泰精密(深圳)有限公司

晋升泰精密(深圳)有限公司

17年专注数控车床加工、自动车床加工CNC加工,车铣复合精密零件

全国咨询热线13692111033400-0755-965

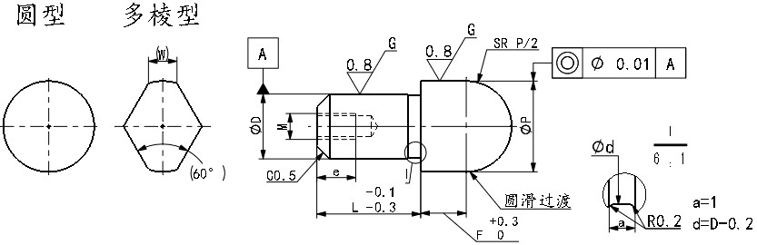
定位销
全国服务热线400-0755-965
  • 定位销大头球面型内螺纹型圆型
  • 定位销大头球面型内螺纹型圆型5.jpg
  • 定位销大头球面型内螺纹型圆型1.jpg
  • 定位销大头球面型内螺纹型圆型.jpg

定位销大头球面型内螺纹型圆型 类别:定位销

产品简介:晋升泰专注数控车床加工,自动车床加工CNC加工,车铣复合精密零件,专业生产各类精密零件,涉及车削、冷镦、冲压等领域,集设计、研发、制造、销售为一体。专业稳定的技术、生产和品质团队,为客户提供高难度、新材料,耐腐蚀、耐高温等产品解决方案,实现进口精密零件完美替代,成...

在线咨询咨询热线:400-0755-965

咨询客服,我们快速为您报价,或者提供技术支持!

产品介绍

请按照选型步骤①-⑦选择型式和参数后进行订购。

订货举例:型式(①Type.②D公差.③P公差.④NO.)-⑤P-⑥L-⑦F

JEQKHRHG5-P6-L5-F2

JEWKHRGP5-P8-L5-F2